教学方法与教学手段
一、基本方法与手段
传统的课堂授课、课外作业练习的形式,对于解决生产实际问题的针对性不强,学生普遍缺乏兴趣,作业发生抄袭的情况日趋严重。我们 也曾尝试过采用每位同学选择不同的项目进行书面课程设计的形式,使情况曾有所改善,但在网络信息发达的今天,一些自制力不强的同学可以较方便地获得相关资源来应付设计性项目,使整个训练过 程留于形式。采用项目实践型教学模式后,学生所面对的问题与生产实际中的问题是一致的,训练过程是完整的。即使是出于未来就业的考虑,学生的兴趣和主动性也大大被激发,多人1组分别设计、加 工制作机械结构实物也使得抄袭变得不可能。
从理念上而言,项目分组的形式有利激发学生们的团队协作精神,但如果每个项目组的人员过多,分工不明确,有时会造成对工作相互推 诿现象,反而不利于团队协作。通过反复实践证明,项目2-5人1组分别设计、加工制作机械平台,然后合作精整与抛光、装配和调试运行的形式可以取得令人满意的效果。
项目实践型的教学模式改变了以往“教师教,学生学”的旧模式,决不意味着老师可以袖手旁观,而是正相反,对教师的要求也更高了。 教师需要根据每个项目组学生工作进展的情况进行不同方式的指导,分别对学生讲解必须注意的问题和必要的解决问题的方法及基本原则,介绍一些可供参考的途径和技巧等。更为重要的是要使学生掌 握如何进行自主学习,学会视不同情况和对象,灵活运用各种知识和手段。
提高学生的创新能力,放手让学生自主进行工作,最能激发学生的创新意识和潜能。同学们刚开始时有些不知所措,需要教师的引导和启 发,随着工作展开和深入,思维被打开,从而加强对以往知识的理解和巩固,例如,对于零件图上孔间距尺寸的标注,工程制图上有不同的方案,学生往往感觉只要标注清楚就可以了,没有从加工方便 角度考虑,现在由于要自己加工实物,加工过程需要使用机床打表定位,如果标注不合适,就需要进行换算,极容易出现差错,不得不重新改进图纸标注,从实践教学的角度,这样的反复有利于巩固学 过的前驱课程内容。又例如,曾发生过学生在沉孔上攻丝的事情,充分说明以往传统教学模式的不完善,实践机会太少,在毛坯上加工多大的螺孔、需要采用何种规格的预钻孔,这样很简单、很具体的 问题都需要在实践过程中得到训练,只有在这样充分实践的基础上,未来的创新才不再是一句空谈。在指导学生完成项目时,教师要和学生形成良好的互动,既不能操之过急,又不能放手不管,要注意 和学生一起反复沟通和推敲,使工作完善。
通过这一实践性教学环节的训练,明显调动了学生的自主学习能力,激发学生的潜能,同学们对专业知识产生了浓厚的兴趣,学生经过花 费心血和精力,自主加工制造自己独立设计的机械平台,普遍有成就感。改革前后两种教学模式的对比情况如下表所示。
项目实践型教学模式与传统教学模式对比表
|
传统模式 |
项目实践型模式 |
|
练习形式单一,容易发生相互抄袭 |
项目实物制作,无法抄袭 |
|
学生被动学习 |
带着问题主动求教 |
|
无法真正发挥学生潜能 |
学生在自主实践基础上,有创新余地 |
|
学生的学习兴趣不高 |
学生有浓厚的学习兴趣和积极性 |
|
学生的动手能力基本没有提高 |
学生的动手能力大幅提高 |
|
需要解决的问题较少,针对性不强 |
有大量实践性问题,针对性强 |
|
教师的指导时间短 |
教师课上和课下的指导工作量大 |
二、主干线核心课程实验教学方案
***工程制图II ***
我们将《工程制图II》的基本内容分解为4个部分,以下讨论其方案体系。
1、图样画法。在《工程制图I》中,学生已学习过图样画法的基本知识以及手工绘图的基本方法,这里将重点学习从三维绘图软件 (SolidWorks)角度的工作方法,包括使用三维绘图软件首先完成简单形体的三维建模以及基本视图的建立;全剖视图、半剖视图、旋转剖视图、局部剖视图、剖面图、斜视图和局部放大图等。
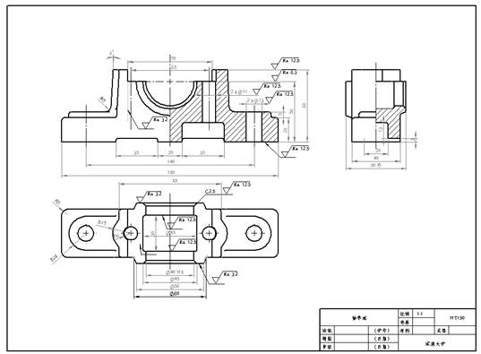
2、零件图。除进一步强化零件三维建模工作能力之外,学习重点放在工程图的表达,图幅规格、尺寸以及公差标注、形位公差标注、表 面粗糙度标注和技术要求等。
|
|
学生完成的零件图
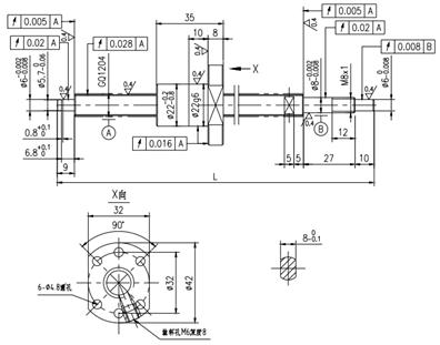
3、装配图。在零件图的基础上,首先掌握机械装置的三维装配模型,而后进一步将学习重点放在装配工程图的表达,尺寸标注(总体尺 寸、规格尺寸、安装尺寸和配合尺寸等)、技术要求、标题栏、零件序号、明细表等。这一部分还需要掌握常用标准零件(螺纹坚固件、垫圈、齿轮、轴承等)的使用,掌握如何从工具库中直接调出生 成。
|
学生完成的装配结构设计
4、简单机械装置设计与制作。学生多人1组构想各自的简单机械装置方案,完成其详细设计和绘制相应的工程图纸,而后展开零部件加工 、标准件采购选用,并且装配成符合图纸要求的最终机构作品。这一过程可以对工程制图中的各种知识进行巩固,涉及到零件的配合关系、配合尺寸以及加工过程中的公差范围的把握,零件的表面粗糙 度要求,技术条件等。鼓励有能力的同学自主设计机械装置制作实物,但即使是各组都使用固定的设计对象进行制作,其学习效果也会远远超过以往仅是手工绘制零部件图纸的传统方式。课程的考核以 项目答辩的形式进行。这样就可以使低年级学生可以尽快地获得机械工程体验,为后续的课程学习打下有利的基础,以下是学生所制作的简单机械装置作品。
|
|
|
|
|
|
|
|
|
|
|
|
|
|
|
|
|
|
|
|
|
|
|
|
|
|
|
|
学生所制作的简单机械装置作品
***成型工艺与模具CAD/CAM ***
我们将《成型工艺与模具CAD/CAM》的基本内容分解为六个部分。
1、塑料制品。了解热塑性材料和热固性材料的共性规律,重点学习掌握常用塑料材质ABS、PC、PP、POM、PVC等的使用性能、注 塑成型熔化温度和合理热变形温度范围。掌握塑料制品结构工艺性要点,重点学习分型面、脱模斜度、壁厚等基本设计参数,课堂教学围绕如下图所示的典型塑件设计实例--车载蓝牙手机外壳展开。
|
|
典型塑件设计实例:车载蓝牙手机外壳
课后随即要求学生以多人一组选择不同的微小型塑件展开设计,各向尺寸不能超出事先规定的范围以符合预制模架规格限制,常选用的塑 件如瓶盖、电子产品外壳和儿童玩具等,如下图所示。
|
|
|
|
|
|
学生设计的微小型塑件
2、模具基本结构、模具类型与浇注系统。学习二板式和三板式模具基本结构、各零部件中英文名称和功能,项目限定为二板式模具 ,所以需要重点掌握。在掌握基本模具结构的基础上学习不同的模具类型,重点是常见的斜导柱侧抽芯结构、斜推杆侧抽芯结构和高光无痕注塑模具;了解带拆卸螺纹抽芯结构、定模设有脱模机构的模 具、热流道系统、叠层模具、双色模具和气体辅助成型模具等。本中心研发了一套作为贯穿整个课程的典型实例 --- 车载蓝牙手机外壳的二板式高光无痕注塑模具,可以在实验室108吨注塑机上进行注 塑成型实验。为便于进行课堂教学,同时还自制了一套结构完全相同的透明模具,如下图所示。这一教学过程结合拆装实验互动进行。浇注系统重点学习常用的流道形式、Z形冷料穴和侧浇口,对于其他 形式只作一般性了解。
以往这部分的教学内容耗费大量的课堂学时,枯燥乏味,影响了重点内容的巩固和学习积极性。改革后突出重点内容并且结合实物进行互 动教学,激发了学生的主动性。
|
|
|
高光无痕注塑模具定、动模实物以及结构完全相同的透明模具教具模型
3、定、动模模芯结构设计。使用三维CAD软件互动进行,不同的软件工作思路基本一致,我们使用的是SolidWorks,学生在前驱 课程中已经较熟练地掌握了该软件的使用,现阶段学生只需要重点掌握其曲面操作功能,并且根据之前各自设计的塑件完成放塑件收缩率、定、动模型腔曲面的抽取、缺口封闭、各曲面实体缝合成整张 曲面实体,最后通过曲面截切六面体模芯毛坯而分别得到定、动模型腔,完成模芯设计,这一过程同样围绕如下图所示的车载蓝牙手机外壳模具典型实例展开。
|
高光无痕注塑模具动模模芯分型设计与模芯分割以及定、动模装配结构
接下来,学生仍以多人1组在上述各组设计的微小型塑件基础上进行模芯设计,组内1人负责定模模芯,而另1人负责动模模芯,如下图所 示。
|
|
|
|
|
|
学生设计的微型模具模芯实例
4、模具材料和制造。学习常用的模具材料,掌握国内外常用的模具钢号,注塑模具的典型制造工艺流程。课后学生展开模芯毛坯 的加工,每组学生各自进行定、动模模芯铣削六面加工(开坯料)以及紧固螺钉孔的预钻孔与攻丝,其中定模模芯还需要完成浇口套安装孔的钻孔,而动模模芯需要考虑项目塑件要求确定顶针数量和位 置,并且完成顶针孔和拉料杆孔的钻孔。
制造工艺的学习重点是数控加工和电火花加工方法。学生针对各自项目的定、动模模芯使用MasterCAM等软件完成数控G代码的生成,针对 微小型注塑模具模芯型腔的数控加工,中心专门设置了微型数控加工实训室,课后在实验老师的指导下学生各自进行数控加工。
对于电火花加工工艺掌握电极设计基本方法和工作原理,但由于电火花加工工时长,大多数项目应尽量避免之后出现电火花加工,但可以 选择个别学生的项目出现工时较短的电火花工艺,集中学习研讨,本中心为此利用学校自制设备经费研发了一台微型电火花加工装置,如下图所示。
|
|
|
学生完成开坯料、微型数控铣和电火花加工
5、表面精整与抛光、模具装配。采用现场互动教学,反复示范结合学生操作,这一过程时间较长,学生课程项目主要在课下进行 ,如下图所示。
由于大多数项目的模芯没有经过电火花强度放电,可先使用金刚石锉刀和纤维油石进行整形;然后可先用铜条加研磨膏研磨,如表面较粗 先用W40研磨膏进行研磨,接下来用竹片工具头加W28、W14、W7的研磨膏进行三次抛光,就可以达到Ra0.06左右的粗糙度,如有必要,可再用木片工具头加W7、W3.5的研磨膏作两次抛光即可达到Ra0.012 。
研磨时加少量煤油使研磨膏成浆糊状,效果更好。学生更换研磨膏前要求仔细检查,确保工件各部位都研磨至与本次研磨膏相对应的粗糙 度,才可更换更细一级的研磨膏。
更换研磨膏时,必须反复向学生强调将工件清洗干净不能有原先的研磨膏残留,铜条和竹片必须锉削干净,木片必须是每级研磨膏专用, 或者是每次换研磨膏时换新的木片。否则会达不到预期的粗糙度要求甚至返工重做,可以用以往失败的实例分析研讨。
|
|
|
|
学生完成表面精整与抛光和顶针制作
6、注塑机操作与注塑成型。
项目进行到这一阶段,各组学生之间的进展已产生较大的差别,可以以最早完成加工的项目为实例互动式学习注塑机操作与注塑成型,根 据射出的塑件成品问题可能需要重新进行修模和再装配,直至达到要求。以后陆续完成的项目可以由学生之间相互学习进行。
|
|
|
|
学生将制作完成的微型注塑模具安装于8吨微型注塑机上进行注塑成型
项目进行过程中,注意引导学生把学和用结合起来,紧密联系模具项目和生产实际来确定工作重点,缩短学生与现实的距离,丰富所学知 识,培养学生社会责任感和严谨求实的工作作风以及团队的合作精神,进而提升学生的非智力素质,并且激励他们更加自觉地把精力和时间投入到学习和钻研中,启发学生的创新志向、创新思维和创新 品德。
普通注塑模具加工难度大、成本高、工作周期长,成本通常在数万元以上。而《塑料成型工艺与模具》课程为60总学时,如果每组2名同 学均制作一套普通模具其工作量和成本是难以应付的,技术水平也难以达到。为适应实践教学,教研组专门配置了一台8吨直压式微型注塑机,可以成型3g的小型塑件。本中心研制了一种可快速更快模芯 的通用注塑模架,获得国家发明专利授权(ZL200710077046.3),该发明专利已转让青岛海尔模具有限公司独占使用,实现产业化,其特征之一是在顶针固定板上开设有蜂巢式的数排密集细圆孔,可根据 不同的塑件产品方便调整顶针数量和位置,因此,对于规格尺寸相近的塑件更换定、动模模芯、可能的胶位镶件、顶针和浇口套等相关零件后可以共享注塑模架。
本中心根据上述发明专利定制了一批微型通用注塑模架,其尺寸比目前常用最小规格的龙记模架1515CI还小,命名为深圳大学通用注塑模 架QMB1010CI,其钢制定、动模模板已预先开框,可嵌入的定、动模模芯尺寸为60mm×60mm×25mm,各组同学根据制作进度的先后共享模架。模芯由学生设计制造,采用铝合金材料,铝合金可以保证数万 次的成型周期,远远高于教学练习的需要,而且铝合金切削性能好,加工速度快、重量轻,其价格约20元/公斤。除模芯以外,不能共享的其他零件还有外径12mm,价格约5元/只的浇口套,1元/只的细顶 针,而加工工艺利用学校已有设备进行,不纳入成本考虑。因此,每组同学项目总成本仅几十元,日常教学经费完全可以承担。
学生主要加工关键的定、动模模芯,另外,选择设计的塑件产品时,应避免侧抽芯等较复杂的结构,加工难度和工时大为缩短, 成本大为降低。由于模具体积小、重量轻,学生通过简单的手工操作就可以快速安全地完成模具安装、调试和注塑成型,如下图所示。虽然塑件和模具较为简单,但麻雀虽小、五脏俱全,对过去毫无经 验的学生而言,是一个完整和富有成就感的训练;对本中心而言也解决了长期困扰的实践教学难题。
|
学生自主加工制作的模具和注塑成品
如前述所述,项目进行到中后期,差别变得明显,部分进展顺利的小组可以提前完成,针对这部分同学,我们展开有针对性地进一步深入 工作。长期的模具工程实践证明,注塑成型出现的各种缺陷或多或少地与水路温调系统有关,我们将近年来国内外逐渐兴起的高光无痕注塑技术,即所谓的快速热循环技术(Rapid Heating Cycle Method, RHCM)作为提高学生创新意识和能力的领域。本中心研制了深圳大学J11系列快速热冷注塑控制机(包括高压蒸汽、高压热水和混成式3种不同机型),用它来产生高温蒸汽或水使得模具型 面温度可以快速升到塑料热变形温度以上,从而实现快速注塑和填充,获得高光亮外观和韧性、强度都非常好的塑件,克服扭曲变形、表面凹陷、熔接痕、波纹等不良现象,在合理选择颜色配料后可以 避免油漆工艺,是一种环保型技术。利用科研优势带动教学工作的开展,同时使学生掌握最新的模具开发理念。
|
|
|
深圳大学高压蒸汽型快速热冷注塑控制机
RHCM技术不但要求快速热冷注塑控制机等相关装备,而且要求实现模具型腔表面能够快速均匀传热,对于曲面形式的塑件表面,定、动模 模芯的近随形介质通道系统十分重要,我们引导部分学生发挥创新能力、自主设计近随形介质通道,然后应用ANSYS软件分析和优化近随形介质通道布局方案。
|
|
深圳大学J10-SLS覆膜砂/石膏粉末快速成形机与铸造砂型烧结过程
|
|
|
|
|
|
含近随形介质通道模芯毛坯的制作
接下来学生使用本中心自制的深圳大学J10-SLS覆膜砂/石膏粉末快速成形机自动制作注塑模具模芯砂型,应用铸造技术浇注出含近随形介 质通道的定、动模模芯毛坯。然后再次进行精加工,经过后续精整和抛光,获得新的模芯,最后应用快速热冷注塑控制机辅助注塑机进行高光无痕注塑成型, 如上图所示。
*** 机电一体化系统设计 ***
作为机械类专业的目标课程,本课程面向已经具有一定专业基础知识的高年级学生开设,其目的在于:利用学生所学的专业知识,尝试进 行系统集成设计的训练。学会将分离的、不同课程上学到的知识有机地融合,以实现能完成特定任务的机器系统设计或对现有的机器系统进行全面分析。提高学生综合利用各种知识和技术解决实际问题 的能力。
本课程将以流行于国内的机械零部件,电气控制部件和相关技术为工作平台,让学生感受国内现有的工业技术环境。在学习和工作中,采 取分组分工合作的方式完成,以培养学生的协作工作能力。
本课程采用以实践为主,指导学生完成原型机的构建和工程文件的编制,既发挥学生的创造性,又不失工程设计的细致、严谨。
学生在完成本课程学习后,应能够:
1、了解现代机器系统的组成及结构,并能解释各组成部分的主要功能及相互关系。
2、认识并熟悉现代机器系统的主要部件、零件的工作原理及特性,学会选用这些零部件。
3、能够对现有机器功能重新自我设计,通过对重新设计对象的解剖分析找出差距,迅速提高自己的想象能力和创造能力。
4、学会利用标准或商用零部件进行模块化设计,学会收集、阅读样本,并通过与供应商联系获取样品。
我们将《机电一体化系统设计》的基本内容分解为5个部分。
1、机械系统部件。掌握机电一体化系统对传动机构的基本要求,了解丝杠螺母机构的分类及其传动形式,了解滚珠丝杠副的组成及其传动特点,掌握滚珠丝杠副消除轴向间隙的调整预紧方法。掌握齿轮传动间隙的调整方法,了解导轨副的组成、种类及应满足的基本要求,理解导轨副的组合形式,掌握滑动导轨副间隙的调整方法,了解直线滚动导轨副的特点及基本要求,理解静压导轨副工作原理。
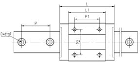
同步进行的机电一体化专题项目主要采用丝杠螺母机构(普通轧制丝杠+滚珠螺母)作为关键部件。中心平时备有一定量的BSG061、 BSG066型丝杠螺母机构和MR7MN滚动直线导轨(相关信息与资料可查询深圳赛瑞德公司网址http://www.szbsg.com)供学生选择使用。
|
丝杠螺母机构
|
滚动直线导轨
2、执行元件。了解机电一体化系统中执行元件的分类及特点,掌握机电一体化系统对执行元件的基本要求,了解伺服/步进电 机的种类、特点及应用,了解液压系统和气动系统的组成。
同步进行的机电一体化专题项目主要采用本中心常备的步进电机(42HS03)+驱动器(415B)或者步进电机(57HS09)+驱动器(556) (相关信息 与资料可查询雷赛公司网址http://www.leisai.com)供学生选择使用。
3、控制系统。学习微机控制系统的设计思路,了解检测的概念,学习机电一体化系统中常用传感器,掌握电位器和旋转编码 器的工作原理。
同步进行的机电一体化专题项目的运动控制可采用PLC和运动控制器两种控制方案,本中心备有多台套三菱和西门子PLC、本中心自制的深 圳大学运动控制器、以及香港固高公司运动控制器(相关信息与资料可查询香港固高公司网址http://www.googoltech.com.cn)供学生选择使用,其中 运动控制器方案采用Visual C++或Visual Basic程序控制。
4、负载分析。了解机电一体化系统中的典型负载,掌握负载等效换算的计算方法,执行元件的匹配选择方法。
多人一组完成微型机电装置项目专题要求尽量使用本中心常备的各种关键零部件,包括丝杠螺母机构、滚动直线导轨、步进电机以及驱动 器、PLC或运动控制器、轴承等,在这些器件确定范围的前提下,本中心在预先加工有配套的电机座、轴支座、联轴器等零件。因此,设计完成后,学生主要进行装置结构件的加工,主要采用普通铝合金 板料和棒料、ABS/PMMA塑料板料和棒料,45#/A3/不锈钢板料和棒料,本中心平时也备有一定量的耗材,由学生依设计自主加工零件。
|
|


